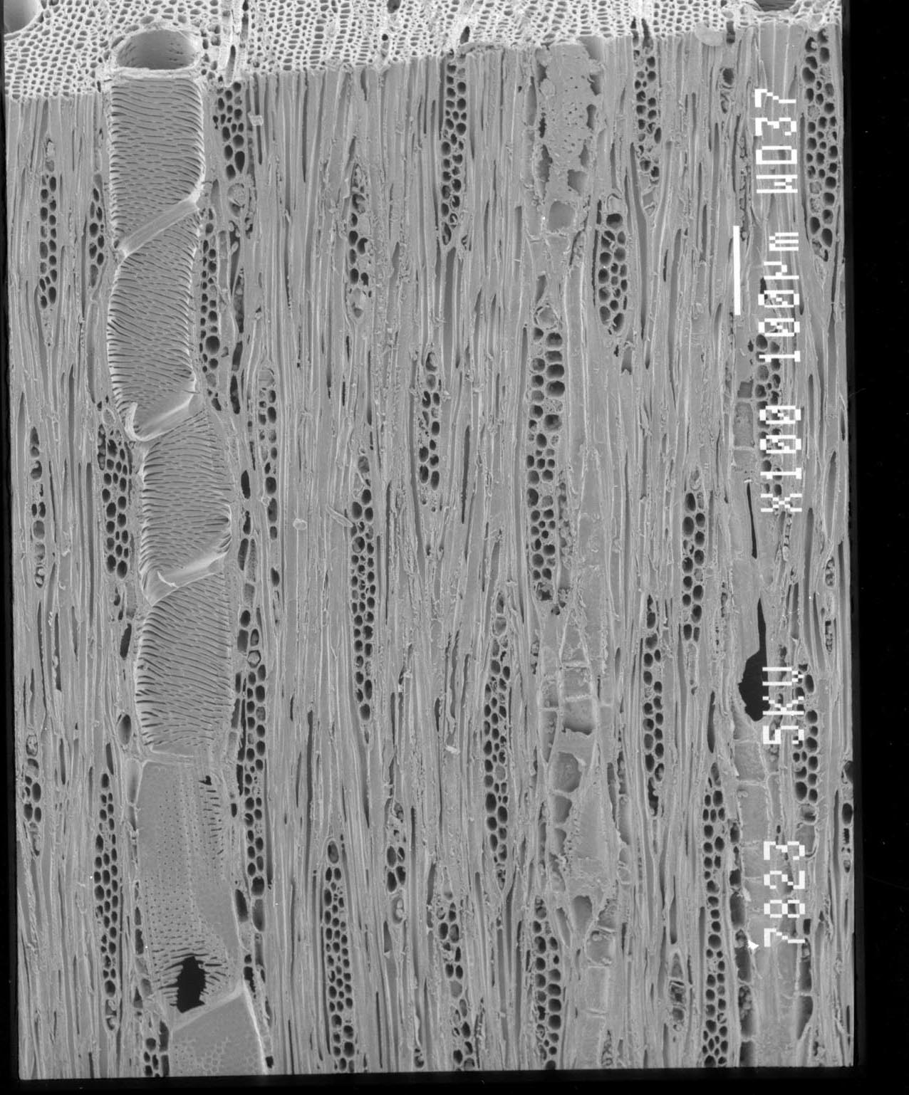
JWDB-走査電顕像
TWTwNo.
6365
採集データ:
Rhus sylvestris Sieb. et Zucc.
東京都八王子市 浅川実験林
ヤマハゼ
26-27 Oct. 1981
Anacardiaceae