ESWood
ホーム
レコード一覧
参考文献
引用文献
光顕写真
   
木材解剖学的性質
   
物理的性質
   
強度的性質
   
木材の加工性
   
合板製造
   
耐朽性
   
化学的性質
学名:
Pseudosindora palustris Sym.
一般名:
Sepetir paya, Sepetir, Petir
科名:
Leguminosae
プレパラート No.:
5222
丸太No.:
XIB
直径:
46- 56 cm
産地:
Sarawak
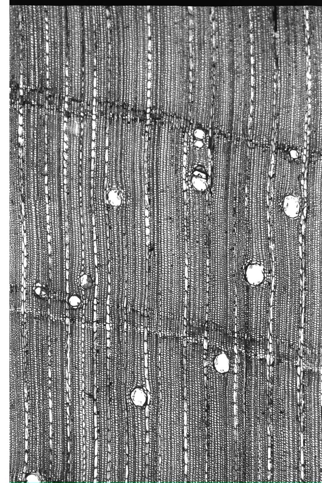
光顕写真
木口面
柾目面
板目面
木材解剖学的性質
道管
放射径
— ( 100 〜 220)
μm
接線径
— ( 70 〜 160)
μm
壁厚
3 〜 4
μm
分布密度
4 〜 11
木部繊維
繊維長
1200( 730 〜 1570)
μm
直径
— ( 15 〜 25)
μm
壁厚
2 〜 3
μm
随伴柔組織の型
周囲状、散在状
結晶細胞の型
P
放射組織
単列放射組織の
細胞高
多列放射組織の
細胞列数
細胞高
5 〜 41
周囲仮道管
要素長
μm
直径
μm
軸方向細胞間道
放射径
μm
接線径
μm
チロース
+
シリカ
直径
μm
物理的性質
密度と収縮率
密度
収縮率
気乾まで
全乾まで
平均
(含水率1%あたり)
容積密度数
482
kg/m³
接線方向
5.4
%
9.1
%
0.26
%
密度(全乾)
0.56
g/cm³
半径方向
2.0
%
4.8
%
0.19
%
密度
(15%含水時)
0.60
g/cm³
軸方向
0.02
%
0.15
%
0.01
%
体積収縮率
13.6
%
吸水量
密度(全乾)
0.65
g/cm³
密度
(15%含水時)
0.64
g/cm³
平均含水率
16.40
%
木口面
110
g/day・cm²
板目面
30
g/day・cm²
柾目面
20
g/day・cm²
強度的性質
比重
0.60
含水率
15.5
%
縦圧縮
ヤング係数
14
GPa
比例限度
32
MPa
強さ
49
MPa
横圧縮
半径方向
接線方向
ヤング係数
1.0
GPa