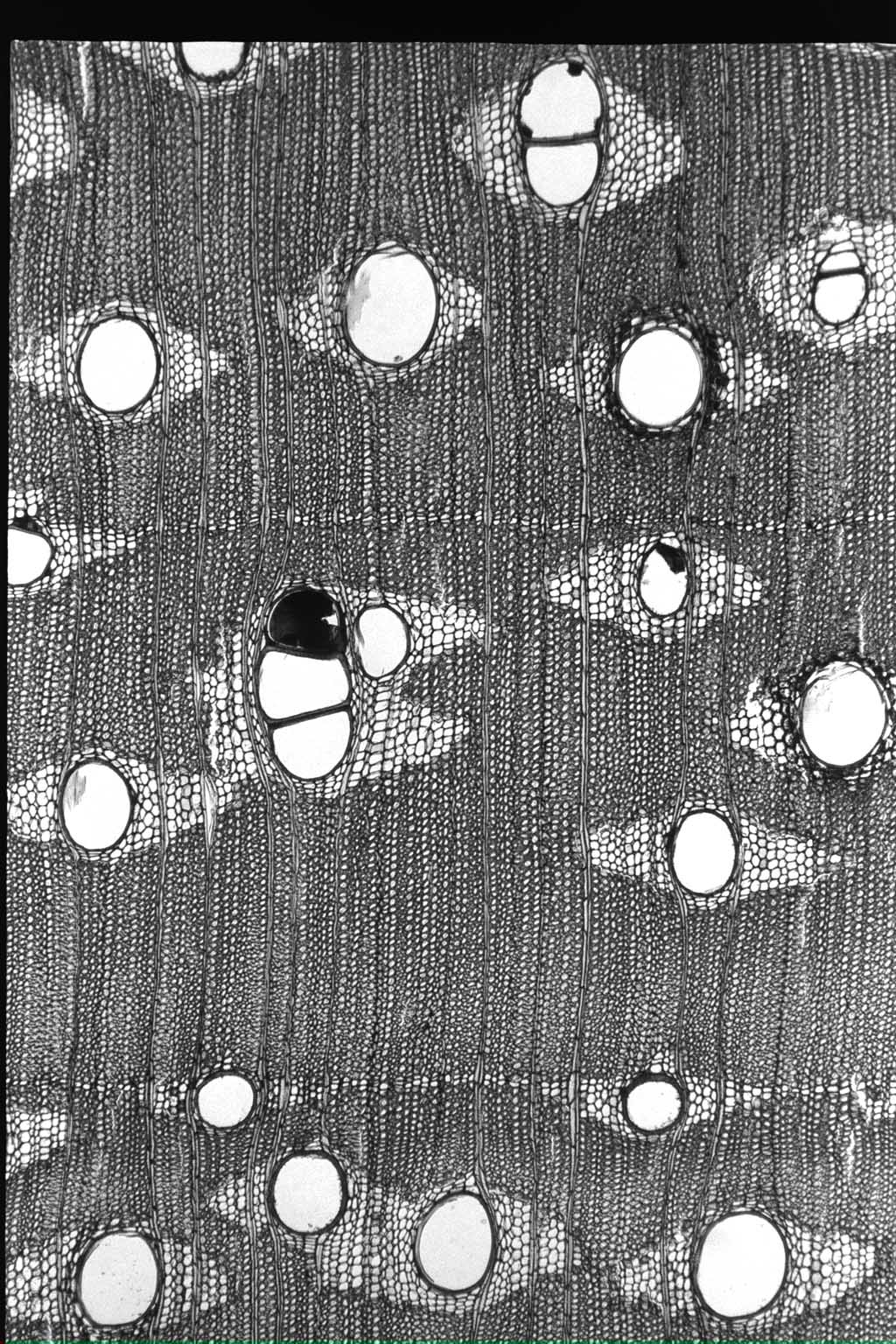
木材解剖学的性質
| 道管 |
放射径 |
|
μm |
| 接線径 |
|
μm |
| 壁厚 |
|
μm |
| 分布密度 |
|
|
| 木部繊維 |
繊維長 |
|
μm |
| 直径 |
|
μm |
| 壁厚 |
|
μm |
| 随伴柔組織の型 |
|
|
| 結晶細胞の型 |
|
|
|
| 放射組織 |
単列放射組織の |
細胞高 |
|
|
| 多列放射組織の |
細胞列数 |
|
|
|
細胞高 |
|
|
|
|
物理的性質
| 密度と収縮率 |
|
密度 |
|
収縮率 |
気乾まで |
|
全乾まで |
|
平均 (含水率1%あたり) |
| 容積密度数 |
591 |
kg/m³ |
接線方向 |
3.0 |
% |
7.5 |
% |
0.31 |
% |
| 密度(全乾) |
0.67 |
g/cm³ |
半径方向 |
1.4 |
% |
3.8 |
% |
0.16 |
% |
密度 (15%含水時) |
0.71 |
g/cm³ |
軸方向 |
0.21 |
% |
0.37 |
% |
0.01 |
% |
|
|
|
体積収縮率 |
|
|
11.3 |
% |
|
|
|
|
| 吸水量 |
密度(全乾) |
0.82 |
g/cm³ |
密度 (15%含水時) |
|
g/cm³ |
平均含水率 |
13.20 |
% |
|
|
木口面 |
141 |
g/day・cm² |
| 板目面 |
50 |
g/day・cm² |
| 柾目面 |
27 |
g/day・cm² |
|
|
強度的性質
縦圧縮
|
ヤング係数 |
|
GPa |
|
比例限度 |
|
MPa |
|
強さ |
|
MPa |
|
|
| 横圧縮 |
半径方向 |
接線方向 |
|
ヤング係数 |
|
GPa |
|
GPa |
|
比例限度 |
|
MPa |
|
MPa |
|
|
部分横圧縮
|
|
縦引張り
|
ヤング係数 |
|
GPa |
|
比例限度 |
|
MPa |
|
強さ |
|
MPa |
|
|
| 横引張り |
半径方向 |
接線方向 |
|
ヤング係数 |
|
GPa |
|
GPa |
|
比例限度 |
|
MPa |
|
MPa |
|
強さ |
|
MPa |
|
MPa |
|
最大歪み |
|
10‾² |
|
10‾² |
|
|
せん断(軸方向)
|
柾目面せん断強さ |
|
MPa |
|
板目面せん断強さ |
|
MPa |
|
|
静的曲げ
|
ヤング係数 |
16 |
GPa |
|
比例限度 |
102 |
MPa |
|
強さ |
157 |
MPa |
|
|
|
|
ブリネル硬さ
|
木口面硬さ |
|
MPa |
|
板目面硬さ |
|
MPa |
|
柾目面硬さ |
|
MPa |
|
|
木材の加工性
|
|
|
|
乾燥速度係数 |
|
|
人工乾燥スケジュール |
|
|
|
|
柾目 |
|
hr‾¹10‾² |
|
温度コードD |
|
|
|
|
板目 |
|
hr‾¹10‾² |
|
湿度コードW |
|
|
|
|
|
|
|
|
乾燥時間 |
|
day |
|
|
|
|
|
ユリア樹脂 |
カゼイン |
酢酸ビニル樹脂 エマルジョン |
フェノール樹脂 |
レゾルシノール 樹脂 |
|
せん断強度 |
8 |
MPa |
|
MPa |
5 |
MPa |
|
MPa |
11 |
MPa |
|
剥離法A |
20 |
% |
|
% |
10 |
% |
|
|
|
|
|
剥離法B |
|
|
|
|
|
|
|
% |
90 |
% |
|
|
合板製造
|
|
|
切削力 |
22 |
N/cm² |
|
レース刀寿命 |
1500 |
m |
|
|
|
|
|
乾燥時間 |
|
min |
|
生材 |
- |
% |
|
収縮率 |
|
% |
|
煮沸処理材 |
|
% |
|
|
|
|
|
|
|
フェノール樹脂 |
ユリア樹脂 |
ユリア・メラミン 共縮合樹脂 |
|
|
強度(煮沸処理) |
|
|
MPa |
|
MPa |
|
MPa |
|
|
(未処理) |
|
1.4 |
MPa |
0.9 |
MPa |
1.1 |
MPa |
|
|
木破率(煮沸処理) |
|
|
% |
|
% |
|
% |
|
|
(未処理) |
|
26 |
% |
|
% |
|
% |
|
|
|
耐朽性及び塗装性
|
|
辺材 |
心材 |
|
|
オオウズラタケ |
20.9% |
0.3% |
|
|
カワラタケ |
15.5% |
% |
|
|
ヒロイタケ |
16.9% |
% |
|
|
ウスバタケ |
% |
% |
|
|
|
硬化時間 |
2.1 |
h |
|
|
接着強度 |
|
MPa |
|
|
塗膜付着性 |
|
|
|
|
|
化学的性質
|
全アルカリ |
|
|
|
パルプ収率 |
47.7 |
% |
|
カッパー価 |
26.6 |
|
|
紙密度 |
0.78 |
g/cm³ |
|
裂断長 |
9.3 |
km |
|
破裂指数 |
6.9 |
|
|
引裂き指数 |
137 |
|
|
耐折強さ |
680 |
MIT |
|
ろ水度 |
233 |
ml |
|
| 繊維形態 |
|
|
|
長さ |
1.38 |
mm |
|
直径 |
23 |
μm |
|
細胞壁厚 |
6.8 |
μm |
|
内腔幅 |
|
μm |
|
Felting Power |
|
|
|
Coefficient of suppleness |
|
|
|
ルンケル比 |
|
|
|
|
パルプ収率 |
|
% |
|
比強度 |
52 |
MPa |
|
衝撃曲げ吸収エネルギー |
|
J/cm² |
|
引張強さ |
|
MPa |
|
水吸収率 |
|
% |
|
硬さ |
|
KPa |
|
|
n-ヘキサン |
0.46 |
% |
|
エチルエーテル |
0.24 |
% |
|
アセトン |
5.42 |
% |
|
メタノール |
5.20 |
% |
|
合計 |
11.32 |
% |
|
|
灰分 |
1.0 |
% |
|
エタノール,ベンゼン抽出分 |
|
% |
|
温水抽出分 |
|
% |
|
1%NaOH抽出分 |
|
% |
|
ホロセルロース |
64.31 |
% |
|
α-セルロース |
41.4 |
% |
|
クラソンリグニン |
29.4 |
% |
|
|