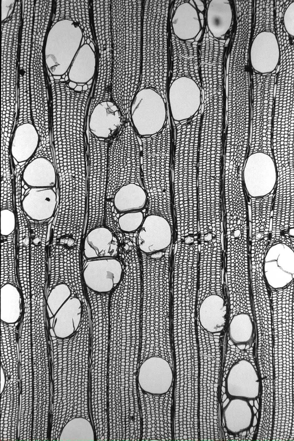
木材解剖学的性質
| 道管 |
放射径 |
300( 115 〜 350) |
μm |
| 接線径 |
238( 81 〜 288) |
μm |
| 壁厚 |
2 〜 3 |
μm |
| 分布密度 |
3 〜 23 |
|
| 木部繊維 |
繊維長 |
1626( 905 〜 1918) |
μm |
| 直径 |
— ( 20 〜 40) |
μm |
| 壁厚 |
1.6 〜 4.3 |
μm |
| 随伴柔組織の型 |
周囲状、翼状、帯状、散在状 |
|
| 結晶細胞の型 |
U&P |
|
|
| 放射組織 |
単列放射組織の |
細胞高 |
|
|
| 多列放射組織の |
細胞列数 |
2 〜 4 |
|
|
細胞高 |
6 〜 120 |
|
|
|
物理的性質
| 密度と収縮率 |
|
密度 |
|
収縮率 |
気乾まで |
|
全乾まで |
|
平均 (含水率1%あたり) |
| 容積密度数 |
426 |
kg/m³ |
接線方向 |
4.0 |
% |
8.0 |
% |
0.28 |
% |
| 密度(全乾) |
0.48 |
g/cm³ |
半径方向 |
1.4 |
% |
3.5 |
% |
0.14 |
% |
密度 (15%含水時) |
0.52 |
g/cm³ |
軸方向 |
0.04 |
% |
0.23 |
% |
0.01 |
% |
|
|
|
体積収縮率 |
|
|
11.5 |
% |
|
|
|
|
| 吸水量 |
密度(全乾) |
0.44 |
g/cm³ |
密度 (15%含水時) |
0.52 |
g/cm³ |
平均含水率 |
16.40 |
% |
|
|
木口面 |
630 |
g/day・cm² |
| 板目面 |
70 |
g/day・cm² |
| 柾目面 |
60 |
g/day・cm² |
|
|
強度的性質
縦圧縮
|
ヤング係数 |
14 |
GPa |
|
比例限度 |
31 |
MPa |
|
強さ |
47 |
MPa |
|
|
| 横圧縮 |
半径方向 |
接線方向 |
|
ヤング係数 |
1.1 |
GPa |
0.5 |
GPa |
|
比例限度 |
3.1 |
MPa |
1.4 |
MPa |
|
|
部分横圧縮
|
|
縦引張り
|
ヤング係数 |
14 |
GPa |
|
比例限度 |
98 |
MPa |
|
強さ |
157 |
MPa |
|
|
| 横引張り |
半径方向 |
接線方向 |
|
ヤング係数 |
1.0 |
GPa |
0.4 |
GPa |
|
比例限度 |
2.8 |
MPa |
1.5 |
MPa |
|
強さ |
8.6 |
MPa |
5.0 |
MPa |
|
最大歪み |
| | |