ESWood
ホーム
レコード一覧
参考文献
引用文献
光顕写真
   
木材解剖学的性質
   
物理的性質
   
強度的性質
   
木材の加工性
   
合板製造
   
耐朽性
   
化学的性質
学名:
Shorea bracteolata Dyer
一般名:
White meranti, Merapi paang, Merapi laut, Merapi lapis
科名:
Dipterocarpaceae
プレパラート No.:
3637
丸太No.:
VIB
直径:
52- 62 cm
産地:
Kalimantan
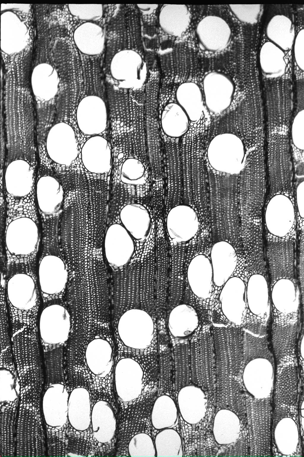
光顕写真
木口面
柾目面
板目面
木材解剖学的性質
道管
放射径
271( 110 〜 380)
μm
接線径
219( 90 〜 310)
μm
壁厚
4 〜 5
μm
分布密度
2 〜 6
木部繊維
繊維長
1608( 900 〜 2230)
μm
直径
— ( 20 〜 35)
μm
壁厚
2 〜 3.5
μm
随伴柔組織の型
帯状、散在状、帽状
結晶細胞の型
U&P,P
放射組織
単列放射組織の
細胞高
多列放射組織の
細胞列数
2 〜 4
細胞高
9 〜 56
周囲仮道管
要素長
390 〜 1250
μm
直径
20 〜 46
μm
軸方向細胞間道
放射径
μm
接線径
μm
チロース
+
シリカ
直径
++
μm
物理的性質
密度と収縮率
密度
収縮率
気乾まで
全乾まで
平均
(含水率1%あたり)
容積密度数
490
kg/m³
接線方向
2.9
%
7.6
%
0.32
%
密度(全乾)
0.55
g/cm³
半径方向
1.1
%
3.4
%
0.16
%
密度
(15%含水時)
0.59
g/cm³
軸方向
0.07
%
0.26
%
0.01
%
体積収縮率
11.1
%
吸水量
密度(全乾)
0.59
g/cm³
密度
(15%含水時)
0.63
g/cm³
平均含水率
16.30
%
木口面
290
g/day・cm²
板目面
100
g/day・cm²
柾目面
70
g/day・cm²
強度的性質
比重
0.56
含水率
15.5
%
縦圧縮
ヤング係数
16
GPa
比例限度
32
MPa
強さ
41
MPa
横圧縮
半径方向
接線方向
ヤング係数
1.0
GPa
0.5
GPa
比例限度
3.2
MPa
1.8
MPa
部分横圧縮
比例限度
5
MPa
縦引張り
ヤング係数
14
GPa
比例限度
108
MPa
強さ
134
MPa
横引張り
半径方向
接線方向
ヤング係数
1.0
GPa
0.4
GPa
比例限度
5.0
MPa
1.6
MPa
強さ