ESWood
ホーム
レコード一覧
参考文献
引用文献
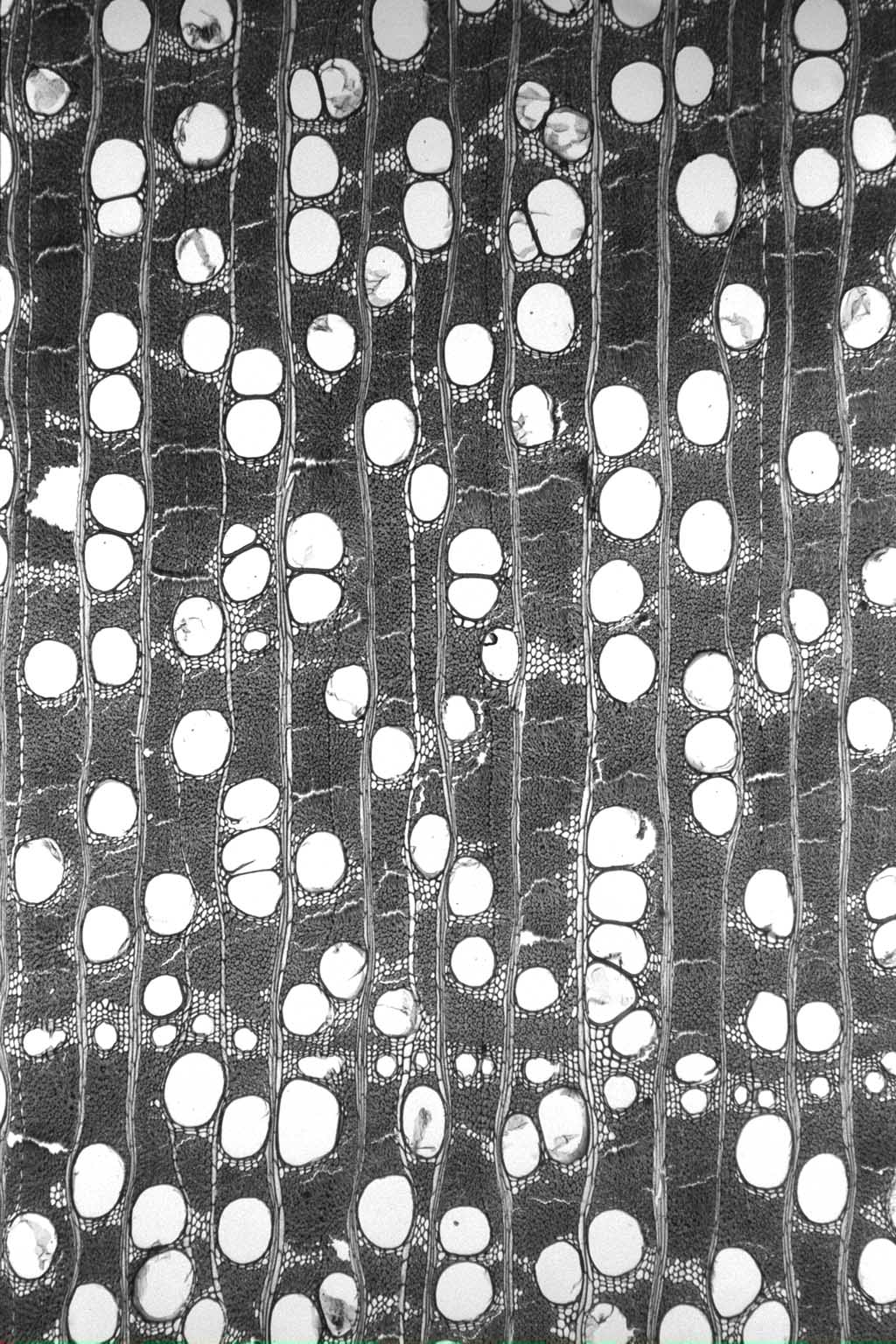
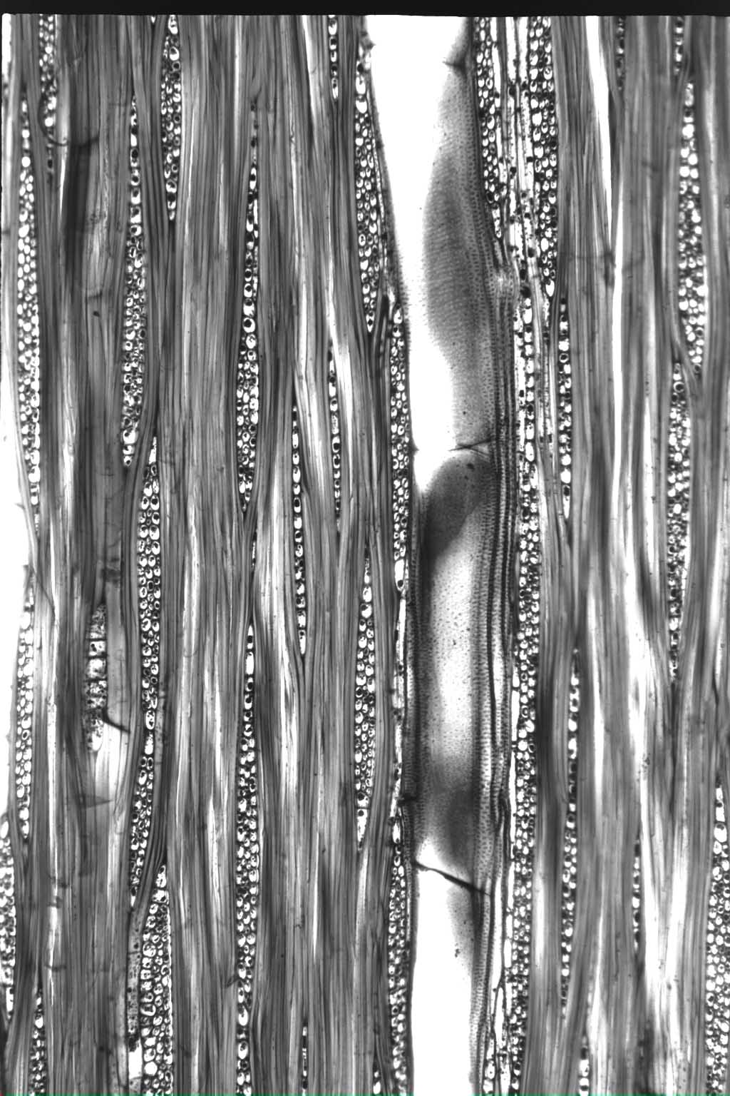
光顕写真
   
木材解剖学的性質
   
物理的性質
   
強度的性質
   
木材の加工性
   
合板製造
   
耐朽性
   
化学的性質
学名:
Hopea pierrei Hance
一般名:
Koki Khsach
科名:
Dipterocarpaceae
プレパラート No.:
6764
丸太No.:
IIE
直径:
53 cm
産地:
Cambodian
光顕写真
木口面
柾目面
板目面
木材解剖学的性質
道管
放射径
— ( 100 〜 190)
μm
接線径
— ( 90 〜 160)
μm
壁厚
3 〜 4
μm
分布密度
12 〜 18
木部繊維
繊維長
1300( 760 〜 1720)
μm
直径
— ( 15 〜 30)
μm
壁厚
3 〜 5
μm
随伴柔組織の型
連合翼状、帽状、周囲状
結晶細胞の型
U,U&P
放射組織
単列放射組織の
細胞高
多列放射組織の
細胞列数
2 〜 4
細胞高
12 〜 69
周囲仮道管
要素長
400 〜 740
μm
直径
5 〜 30
μm
軸方向細胞間道
放射径
μm
接線径
μm
チロース
+
シリカ
直径
-
μm
物理的性質
密度と収縮率
密度
収縮率
気乾まで
全乾まで
平均
(含水率1%あたり)
容積密度数
696
kg/m³
接線方向
4.4
%
10.5
%
0.43
%
密度(全乾)
0.81
g/cm³
半径方向
1.3
%
4.0
%
0.18
%
密度
(15%含水時)
0.85
g/cm³
軸方向
0.04
%
0.20
%
0.01
%
体積収縮率
14.4
%
吸水量
密度(全乾)
0.96
g/cm³
密度
(15%含水時)
g/cm³
平均含水率
%
木口面
g/day・cm²
板目面
g/day・cm²
柾目面
g/day・cm²
強度的性質
比重
0.84
含水率
15.0
%
縦圧縮
ヤング係数
19
GPa
比例限度
46
MPa
強さ
68
MPa
横圧縮
半径方向
接線方向
ヤング係数
2.0
GPa
1.0
GPa
比例限度
8.2
MPa
4.2
MPa
部分横圧縮
比例限度
8
MPa
縦引張り
ヤング係数
21
GPa
比例限度
157
MPa
強さ
257
MPa
横引張り
半径方向
接線方向
ヤング係数