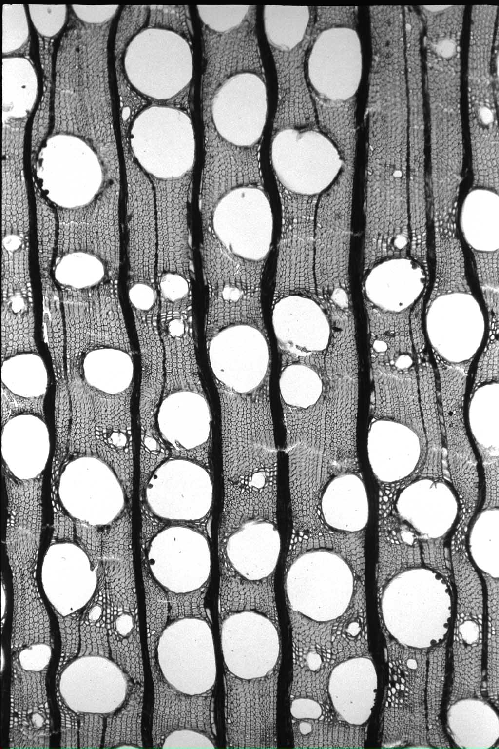
木材解剖学的性質
| 道管 |
放射径 |
260( 110 〜 390) |
μm |
| 接線径 |
238( 110 〜 370) |
μm |
| 壁厚 |
1.5 〜 4 |
μm |
| 分布密度 |
2 〜 12 |
|
| 木部繊維 |
繊維長 |
1822( 1000 〜 3000) |
μm |
| 直径 |
32 ( 20 〜 50) |
μm |
| 壁厚 |
8 〜 15 |
μm |
| 随伴柔組織の型 |
帽状、散在状 |
|
| 結晶細胞の型 |
U&P U |
|
|
| 放射組織 |
単列放射組織の |
細胞高 |
|
|
| 多列放射組織の |
細胞列数 |
4 〜 6 |
|
|
細胞高 |
47 〜 107 |
|
| 周囲仮道管 |
要素長 |
640 〜 1300 |
μm |
| 直径 |
10 〜 55 |
μm |
|
|
物理的性質
| 密度と収縮率 |
|
密度 |
|
収縮率 |
気乾まで |
|
全乾まで |
|
平均 (含水率1%あたり) |
| 容積密度数 |
677 |
kg/m³ |
接線方向 |
6.5 |
% |
12.3 |
% |
0.42 |
% |
| 密度(全乾) |
0.84 |
g/cm³ |
半径方向 |
3.2 |
% |
6.9 |
% |
0.26 |
% |
密度 (15%含水時) |
0.86 |
g/cm³ |
軸方向 |
0.02 |
% |
0.16 |
% |
0.01 |
% |
|
|
|
体積収縮率 |
|
|
18.6 |
% |
|
|
|
|
| 吸水量 |
密度(全乾) |
0.76 |
g/cm³ |
密度 (15%含水時) |
|
g/cm³ |
平均含水率 |
|
% |
|
|
木口面 |
|
g/day・cm² |
| 板目面 |
|
g/day・cm² |
| 柾目面 |
|
g/day・cm² |
|
|
強度的性質
縦圧縮
|
ヤング係数 |
26 |
GPa |
|
比例限度 |
67 |
MPa |
|
強さ |
84 |
MPa |
|
|
| 横圧縮 |
半径方向 |
接線方向 |
|
ヤング係数 |
1.5 |
GPa |
1.0 |
GPa |
|
比例限度 |
4.1 |
MPa |
3.0 |
MPa |
|
|
部分横圧縮
|
|
縦引張り
|
ヤング係数 |
21 |
GPa |
|
比例限度 |
154 |
MPa |
|
強さ |
190 |
MPa |
|
|
| 横引張り |
半径方向 |
接線方向 |
|
ヤング係数 |
1.7 |
GPa |
0.9 |
GPa |
|
比例限度 |
5.5 |
MPa |
3.2 |
MPa |
|
強さ |
9.4 |
MPa |
6.7 |
MPa |
|
最大歪み |
0.65 |
10‾² |
1.08 |
10‾² |
|
|
せん断(軸方向)
|
柾目面せん断強さ |
14 |
MPa |
|
板目面せん断強さ |
15 |
MPa |
|
|
静的曲げ
|
ヤング係数 |
20 |
GPa |
|
比例限度 |
89 |
MPa |
|
強さ |
147 |
MPa |
|
|
|
|
ブリネル硬さ
|
木口面硬さ |
82 |
MPa |
|
板目面硬さ |
28 |
MPa |
|
柾目面硬さ |
25 |
MPa |
|
|
木材の加工性
|
|
|
|
乾燥速度係数 |
|
|
人工乾燥スケジュール |
|
|
|
|
柾目 |
1.7 |
hr‾¹10‾² |
|
温度コードD |
13 |
|
|
|
板目 |
2.3 |
hr‾¹10‾² |
|
湿度コードW |
22 |
|
|
|
|
|
|
|
乾燥時間 |
22 |
day |
|
|
|
|
|
ユリア樹脂 |
カゼイン |
酢酸ビニル樹脂 エマルジョン |
フェノール樹脂 |
レゾルシノール 樹脂 |
|
せん断強度 |
10 |
MPa |
|
MPa |
|
MPa |
|
MPa |
12 |
MPa |
|
剥離法A |
64 |
% |
43 |
% |
83 |
% |
|
|
|
|
|
剥離法B |
|
|
|
|
|
|
77 |
% |
23 |
% |
|
|
合板製造
|
|
|
切削力 |
21 |
N/cm² |
|
レース刀寿命 |
300 |
m |
|
|
|
|
|
乾燥時間 |
5.4 |
min |
|
生材 |
51.4 |
% |
|
収縮率 |
11.0 |
% |
|
煮沸処理材 |
24.7 |
% |
|
|
|
|
|
|
|
フェノール樹脂 |
ユリア樹脂 |
ユリア・メラミン 共縮合樹脂 |
|
|
強度(煮沸処理) |
|
2.0 |
MPa |
|
MPa |
1.6 |
MPa |
|
|
(未処理) |
|
2.6 |
MPa |
|
MPa |
1.8 |
MPa |
|
|
木破率(煮沸処理) |
|
19 |
% |
|
% |
31 |
% |
|
|
(未処理) |
|
44 |
% |
|
% |
18 |
% |
|
|
|
耐朽性及び塗装性
|
|
辺材 |
心材 |
|
|
オオウズラタケ |
0.2% |
% |
|
|
カワラタケ |
6.7% |
5.1% |
|
|
ヒロイタケ |
| | |