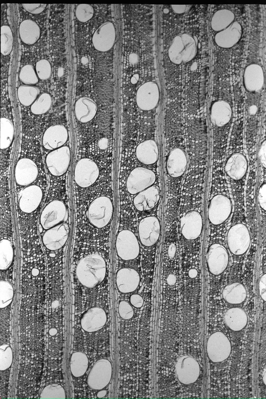
光顕写真   木材解剖学的性質   物理的性質   強度的性質   木材の加工性   合板製造   耐朽性   化学的性質

学名: Anisoptera glabra Kurz
一般名: Phdiek
科名: Dipterocarpaceae
プレパラート No.: 6714
丸太No.: IIC
直径: 62- 66 cm
産地: Cambodian



光顕写真
木口面 柾目面 板目面



木材解剖学的性質
道管 放射径 — ( 70 〜 270) μm
接線径 — ( 75 〜 230) μm
壁厚 2 〜 3 μm
分布密度 4 〜 10
木部繊維 繊維長 1740( 980 〜 2380) μm
直径 — ( 20 〜 30) μm
壁厚 4 〜 6 μm
随伴柔組織の型 周囲状、翼状、連合翼状
結晶細胞の型 U,P,U&P
放射組織 単列放射組織の 細胞高
多列放射組織の 細胞列数 2 〜 6

細胞高 10 〜 68
周囲仮道管 要素長 600 〜 1110 μm
直径 25 〜 50 μm
軸方向細胞間道 放射径 μm
接線径 μm
チロース +

シリカ 直径 + μm



物理的性質
密度と収縮率
密度
収縮率 気乾まで
全乾まで
平均
(含水率1%あたり)
容積密度数 559 kg/m³ 接線方向 4.9 10.2 0.39
密度(全乾) 0.69 g/cm³ 半径方向 1.7 4.9 0.21
密度
(15%含水時)
0.72 g/cm³ 軸方向 0.02 0.14 0.01



体積収縮率

14.9


吸水量 密度(全乾) 0.69 g/cm³ 密度
(15%含水時)
g/cm³ 平均含水率 %

木口面 g/day・cm²
板目面 g/day・cm²
柾目面 g/day・cm²



強度的性質
比重 0.67
含水率 15.0 %

縦圧縮

ヤング係数 13 GPa

比例限度 33 MPa

強さ 47 MPa

横圧縮 半径方向 接線方向

ヤング係数 1.2 GPa 0.7 GPa

比例限度 3.7 MPa 2.4 MPa

部分横圧縮

比例限度 5 MPa

縦引張り

ヤング係数 11 GPa

比例限度 97 MPa

強さ 117 MPa

横引張り 半径方向 接線方向

ヤング係数