ESWood
ホーム
レコード一覧
参考文献
引用文献
光顕写真
   
木材解剖学的性質
   
物理的性質
   
強度的性質
   
木材の加工性
   
合板製造
   
耐朽性
   
化学的性質
学名:
Octomeles sumatrana Miq.
一般名:
Erima, Ilimo, Benuang, Benoea, Starka
科名:
Datiscaceae
プレパラート No.:
24113
丸太No.:
XB
直径:
56- 72 cm
産地:
New Guinea
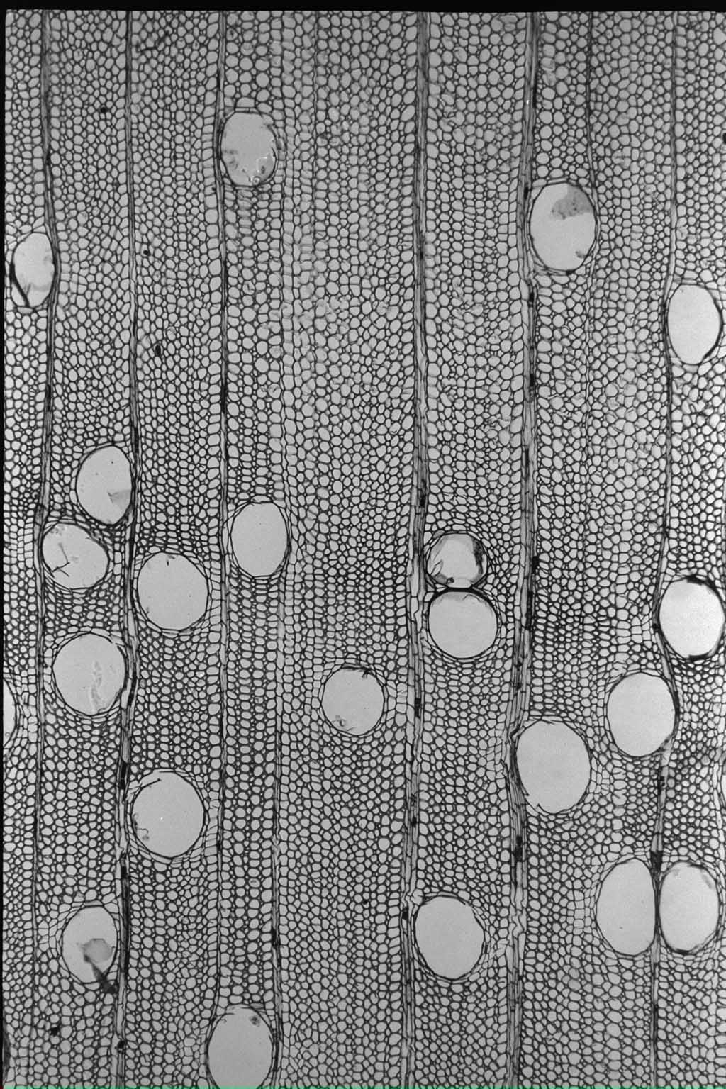
光顕写真
木口面
柾目面
板目面
木材解剖学的性質
道管
放射径
— ( 150 〜 360)
μm
接線径
— ( 150 〜 280)
μm
壁厚
1 〜 2
μm
分布密度
2 〜 5
木部繊維
繊維長
1680( 1200 〜 2300)
μm
直径
— ( 35 〜 70)
μm
壁厚
2.5 〜 5
μm
随伴柔組織の型
周囲状、翼状
結晶細胞の型
U
放射組織
単列放射組織の
細胞高
多列放射組織の
細胞列数
2 〜 4
細胞高
9 〜 50
周囲仮道管
要素長
μm
直径
μm
軸方向細胞間道
放射径
μm
接線径
μm
チロース
Tylosis
シリカ
直径
μm
物理的性質
密度と収縮率
密度
収縮率
気乾まで
全乾まで
平均
(含水率1%あたり)
容積密度数
295
kg/m³
接線方向
3.4
%
6.7
%
0.24
%
密度(全乾)
0.33
g/cm³
半径方向
2.0
%
3.8
%
0.15
%
密度
(15%含水時)
0.36
g/cm³
軸方向
0.03
%
0.19
%
0.01
%
体積収縮率
10.6
%
吸水量
密度(全乾)
0.38
g/cm³
密度
(15%含水時)
0.40
g/cm³
平均含水率
16.30
%
木口面
240
g/day・cm²
板目面
80
g/day・cm²
柾目面
60
g/day・cm²
強度的性質
比重
0.37
含水率
16.5
%
縦圧縮
ヤング係数
8
GPa
比例限度
18
MPa
強さ
26
MPa
横圧縮
半径方向
接線方向
ヤング係数
0.4
GPa