ESWood
ホーム
レコード一覧
参考文献
引用文献
光顕写真
   
木材解剖学的性質
   
物理的性質
   
強度的性質
   
木材の加工性
   
合板製造
   
耐朽性
   
化学的性質
学名:
Pterocymbium beccarii
一般名:
Amberoi
科名:
Sterculiaceae
プレパラート No.:
11108
丸太No.:
XIIIC
直径:
54- 72 cm
産地:
New Guinea
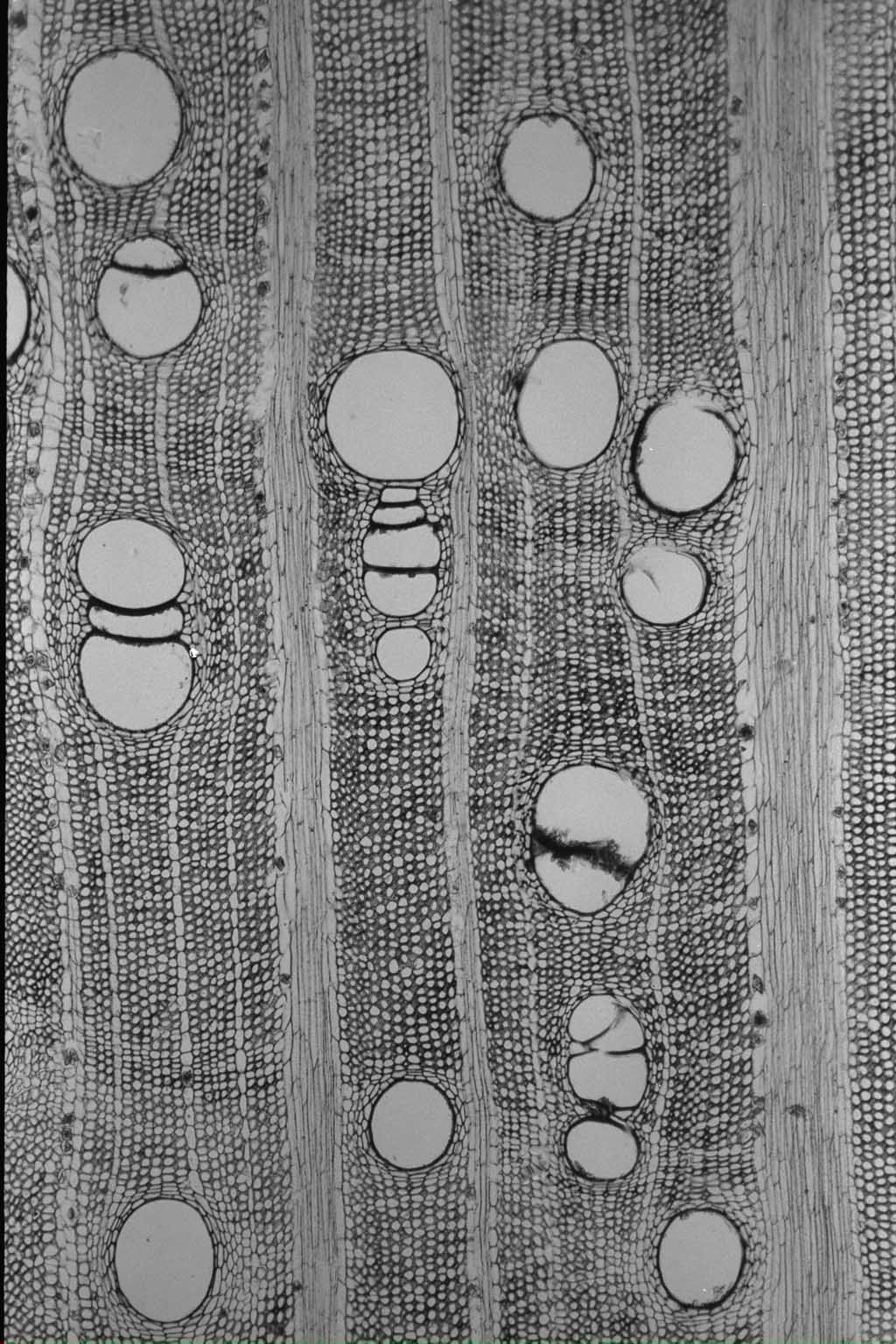
光顕写真
木口面
柾目面
板目面
木材解剖学的性質
道管
放射径
— ( 200 〜 470)
μm
接線径
— ( 200 〜 360)
μm
壁厚
μm
分布密度
1 〜 3
木部繊維
繊維長
1510( 1200 〜 2170)
μm
直径
— ( 30 〜 48)
μm
壁厚
4 〜 5
μm
随伴柔組織の型
周囲状、翼状、連合翼状
結晶細胞の型
P
放射組織
単列放射組織の
細胞高
多列放射組織の
細胞列数
2 〜 5
細胞高
8 〜 94
周囲仮道管
要素長
μm
直径
μm
軸方向細胞間道
放射径
μm
接線径
μm
チロース
シリカ
直径
μm
物理的性質
密度と収縮率
密度
収縮率
気乾まで
全乾まで
平均
(含水率1%あたり)
容積密度数
295
kg/m³
接線方向
5.8
%
9.2
%
0.27
%
密度(全乾)
0.34
g/cm³
半径方向
1.7
%
4.3
%
0.18
%
密度
(15%含水時)
0.37
g/cm³
軸方向
0.05
%
0.17
%
0.01
%
体積収縮率
13.9
%
吸水量
密度(全乾)
0.34
g/cm³
密度
(15%含水時)
0.39
g/cm³
平均含水率
15.60
%
木口面
920
g/day・cm²
板目面
230
g/day・cm²
柾目面
130
g/day・cm²
強度的性質
比重
0.43
含水率
15.0
%
縦圧縮
ヤング係数
13
GPa
比例限度
22
MPa
強さ
31
MPa
横圧縮
半径方向
接線方向
ヤング係数
0.7
GPa