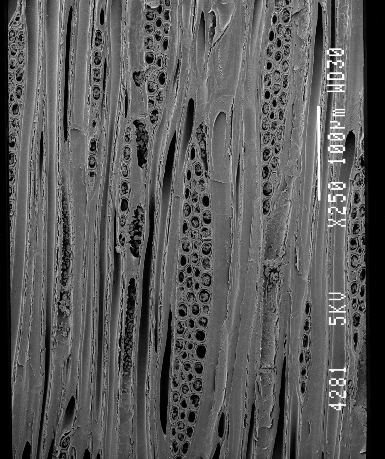
JWDB-走査電顕像
TWTwNo.
18829
採集データ:
Betula grossa Sieb. et Zucc.
宮崎県西諸県郡須木村曽見川 北浦林道
ミズメ
18 Oct. 2000
Betulaceae