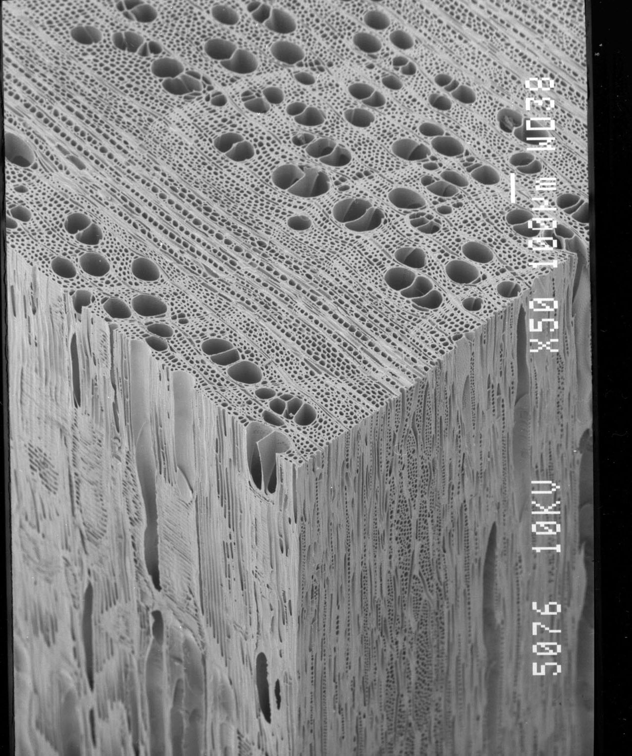
JWDB-走査電顕像
TWTwNo.
9305
採集データ:
Carpinus laxiflora (Sieb. et Zucc.) Bl.
群馬県多野郡上野村大字楢原字本谷 前橋営林局利根経営計画区高崎事業区
アカシデ
1963
Betulaceae