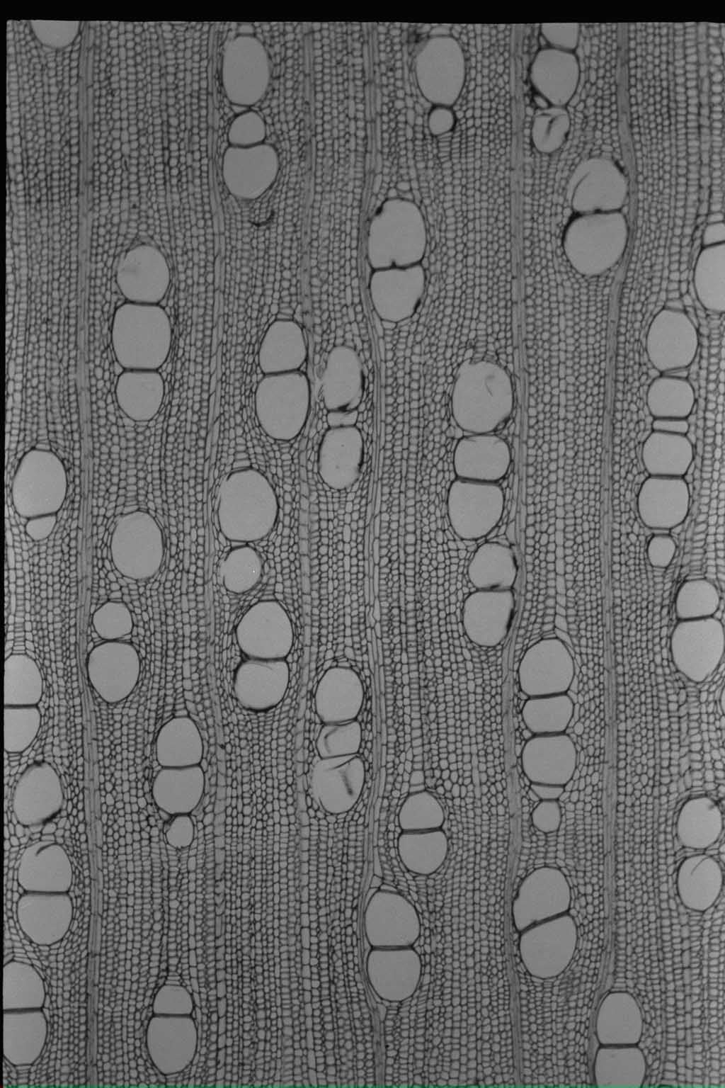
木材解剖学的性質
| 道管 |
放射径 |
— ( 160 〜 300) |
μm |
| 接線径 |
— ( 120 〜 200) |
μm |
| 壁厚 |
1.5 〜 3 |
μm |
| 分布密度 |
2 〜 7 |
|
| 木部繊維 |
繊維長 |
1725( 1270 〜 2135) |
μm |
| 直径 |
— ( 25 〜 50) |
μm |
| 壁厚 |
1.5 〜 2.5 |
μm |
| 随伴柔組織の型 |
散在状 |
|
| 結晶細胞の型 |
U |
|
|
| 放射組織 |
単列放射組織の |
細胞高 |
|
|
| 多列放射組織の |
細胞列数 |
2 〜 3 |
|
|
細胞高 |
6 〜 45 |
|
|
|
物理的性質
| 密度と収縮率 |
|
密度 |
|
収縮率 |
気乾まで |
|
全乾まで |
|
平均 (含水率1%あたり) |
| 容積密度数 |
346 |
kg/m³ |
接線方向 |
3.9 |
% |
7.4 |
% |
0.24 |
% |
| 密度(全乾) |
0.38 |
g/cm³ |
半径方向 |
1.0 |
% |
2.3 |
% |
0.09 |
% |
密度 (15%含水時) |
0.42 |
g/cm³ |
軸方向 |
0.03 |
% |
0.27 |
% |
0.02 |
% |
|
|
|
体積収縮率 |
|
|
10.0 |
% |
|
|
|
|
| 吸水量 |
密度(全乾) |
0.45 |
g/cm³ |
密度 (15%含水時) |
0.41 |
g/cm³ |
平均含水率 |
16.80 |
% |
|
|
木口面 |
150 |
g/day・cm² |
| 板目面 |
80 |
g/day・cm² |
| 柾目面 |
40 |
g/day・cm² |
|
|
強度的性質
縦圧縮
|
ヤング係数 |
10 |
GPa |
|
比例限度 |
31 |
MPa |
|
強さ |
34 |
MPa |
|
|
| 横圧縮 |
半径方向 |
接線方向 |
|
ヤング係数 |
1.0 |
GPa |
0.5 |
GPa |
|
比例限度 |
3.2 |
MPa |
1.8 |
MPa |
|
|
部分横圧縮
|
|
縦引張り
|
ヤング係数 |
7 |
GPa |
|
比例限度 |
72 |
MPa |
|
強さ |
104 |
MPa |
|
|
| 横引張り |
半径方向 |
接線方向 |
|
ヤング係数 |
0.9 |
GPa |
0.4 |
GPa |
|
比例限度 |
7.4 |
MPa |
2.5 |
MPa |
|
強さ |
11.6 |
MPa |
5.4 |
MPa |
|
最大歪み |
|
10‾² |
|
10‾² |
|
|
せん断(軸方向)
|
柾目面せん断強さ |
7 |
MPa |
|
板目面せん断強さ |
10 |
MPa |
|
|
静的曲げ
|
ヤング係数 |
9 |
GPa |
|
比例限度 |
37 |
MPa |
|
強さ |
68 |
MPa |
|
|
|
|
ブリネル硬さ
|
木口面硬さ |
37 |
MPa |
|
板目面硬さ |
15 |
MPa |
|
柾目面硬さ |
9 |
MPa |
|
|
木材の加工性
|
平均含水率 |
93 |
% |
|
製材速度 |
4.1 |
m²/min |
|
|
|
|
|
|
乾燥速度係数 |
|
|
人工乾燥スケジュール |
|
|
|
|
柾目 |
2.5 |
hr‾¹10‾² |
|
温度コードD |
5 |
|
|
|
板目 |
4.1 |
hr‾¹10‾² |
|
湿度コードW |
22 |
|
|
|
|
|
|
|
乾燥時間 |
15 |
day |
|
|
|
|
|
ユリア樹脂 |
カゼイン |
酢酸ビニル樹脂 エマルジョン |
フェノール樹脂 |
レゾルシノール 樹脂 |
|
せん断強度 |
9 |
MPa |
12 |
MPa |
10 |
MPa |
11 |
MPa |
11 |
MPa |
|
剥離法A |
2 |
% |
0 |
% |
100 |
% |
|
|
|
|
|
剥離法B |
|
|
|
|
|
|
3 |
% |
.5 |
% |
|
|
合板製造
| ロータリー切削 |
比重 |
0.46 |
|
含水率 |
107 |
% |
|
|
|
切削力 |
19 |
N/cm² |
|
レース刀寿命 |
1800 |
m |
|
|
|
|
|
乾燥時間 |
5.0 |
min |
|
生材 |
16 |
% |
|
収縮率 |
6.9 |
% |
|
煮沸処理材 |
|
% |
|
|
|
|
|
|
|
フェノール樹脂 |
ユリア樹脂 |
ユリア・メラミン 共縮合樹脂 |
|
|
強度(煮沸処理) |
|
1.4 |
MPa |
1.9 |
MPa |
1.6 |
MPa |
|
|
(未処理) |
|
1.5 |
MPa |
1.7 |
MPa |
1.5 |
MPa |
|
|
木破率(煮沸処理) |
|
0 |
% |
26 |
% |
0 |
% |
|
|
(未処理) |
|
14 |
% |
22 |
% |
18 |
% |
|
|
|
耐朽性及び塗装性
|
|
辺材 |
心材 |
|
|
オオウズラタケ |
14.6% |
21.9% |
|
|
カワラタケ |
14.5% |
10.4% |
|
|
ヒロイタケ |
22.9% |
13.0% |
|
|
ウスバタケ |
% |
% |
|
|
|
硬化時間 |
1.7 |
h |
|
|
接着強度 |
1.3 |
MPa |
|
|
塗膜付着性 |
|
|
|
|
|
化学的性質
|
全アルカリ |
17.5 |
|
|
パルプ収率 |
43.6 |
% |
|
カッパー価 |
21.5 |
|
|
紙密度 |
0.80 |
g/cm³ |
|
裂断長 |
6.7 |
km |
|
破裂指数 |
5.2 |
|
|
引裂き指数 |
146 |
|
|
耐折強さ |
60 |
MIT |
|
ろ水度 |
370 |
ml |
|
| 繊維形態 |
|
|
|
長さ |
1.01 |
mm |
|
直径 |
24 |
μm |
|
細胞壁厚 |
6.6 |
μm |
|
内腔幅 |
10.8 |
μm |
|
Felting Power |
42 |
|
|
Coefficient of suppleness |
45 |
|
|
ルンケル比 |
1.2 |
|
|
|
パルプ収率 |
89 |
% |
|
比強度 |
40 |
MPa |
|
衝撃曲げ吸収エネルギー |
|
J/cm² |
|
引張強さ |
|
MPa |
|
水吸収率 |
|
% |
|
硬さ |
|
KPa |
|
|
n-ヘキサン |
0.28 |
% |
|
エチルエーテル |
0.89 |
% |
|
アセトン |
0.85 |
% |
|
メタノール |
1.34 |
% |
|
合計 |
3.36 |
% |
|
|
灰分 |
0.7 |
% |
|
エタノール,ベンゼン抽出分 |
2.7 |
% |
|
温水抽出分 |
4.3 |
% |
|
1%NaOH抽出分 |
15.9 |
% |
|
ホロセルロース |
74.2 |
% |
|
α-セルロース |
45.5 |
% |
|
クラソンリグニン |
25.7 |
% |
|
|