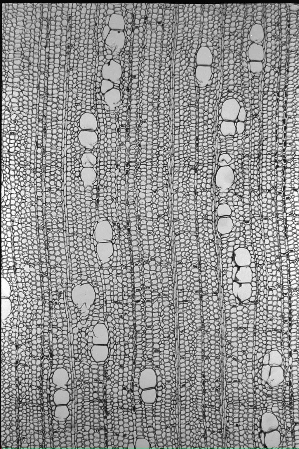
木材解剖学的性質
| 道管 |
放射径 |
|
μm |
| 接線径 |
160( 100 〜 210) |
μm |
| 壁厚 |
|
μm |
| 分布密度 |
3 〜 10 |
|
| 木部繊維 |
繊維長 |
1740( 920 〜 2420) |
μm |
| 直径 |
— ( 35 〜 10) |
μm |
| 壁厚 |
3 〜 4 |
μm |
| 随伴柔組織の型 |
周囲状、帯状 |
|
| 結晶細胞の型 |
U |
|
|
| 放射組織 |
単列放射組織の |
細胞高 |
|
|
| 多列放射組織の |
細胞列数 |
|
|
|
細胞高 |
5 〜 27 |
|
|
|
物理的性質
| 密度と収縮率 |
|
密度 |
|
収縮率 |
気乾まで |
|
全乾まで |
|
平均 (含水率1%あたり) |
| 容積密度数 |
344 |
kg/m³ |
接線方向 |
3.2 |
% |
6.7 |
% |
0.24 |
% |
| 密度(全乾) |
0.38 |
g/cm³ |
半径方向 |
1.0 |
% |
2.8 |
% |
0.12 |
% |
密度 (15%含水時) |
0.41 |
g/cm³ |
軸方向 |
0.04 |
% |
0.26 |
% |
0.01 |
% |
|
|
|
体積収縮率 |
|
|
9.5 |
% |
|
|
|
|
| 吸水量 |
密度(全乾) |
0.38 |
g/cm³ |
密度 (15%含水時) |
0.52 |
g/cm³ |
平均含水率 |
18.10 |
% |
|
|
木口面 |
30 |
g/day・cm² |
| 板目面 |
30 |
g/day・cm² |
| 柾目面 |
10 |
g/day・cm² |
|
|
強度的性質
縦圧縮
|
ヤング係数 |
10 |
GPa |
|
比例限度 |
29 |
MPa |
|
強さ |
35 |
MPa |
|
|
| 横圧縮 |
半径方向 |
接線方向 |
|
ヤング係数 |
0.9 |
GPa |
0.3 |
GPa |
|
比例限度 |
3.1 |
MPa |
1.6 |
MPa |
|
|
部分横圧縮
|
|
縦引張り
|
ヤング係数 |
10 |
GPa |
|
比例限度 |
72 |
MPa |
|
強さ |
94 |
MPa |
|
|
| 横引張り |
半径方向 |
接線方向 |
|
ヤング係数 |
0.9 |
GPa |
0.3 |
GPa |
|
比例限度 |
5.5 |
MPa |
1.5 |
MPa |
|
強さ |
11.4 |
MPa |
4.1 |
MPa |
|
最大歪み |
| | |