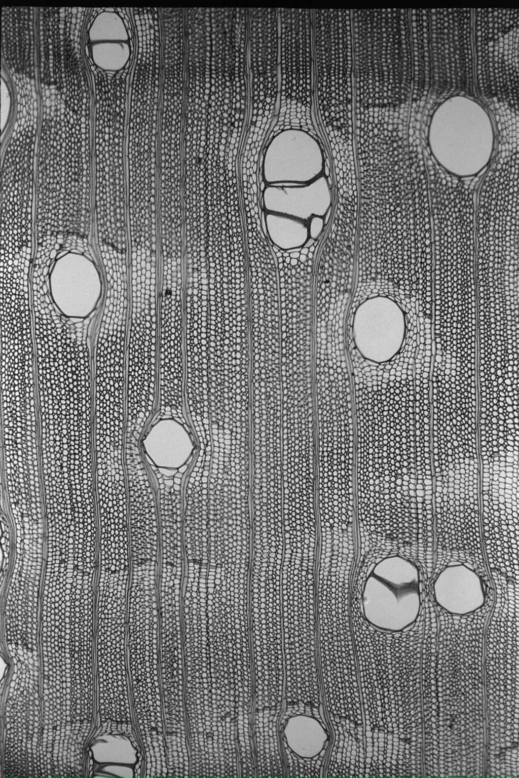
木材解剖学的性質
| 道管 |
放射径 |
— ( 100 〜 360) |
μm |
| 接線径 |
— ( 100 〜 290) |
μm |
| 壁厚 |
2 〜 3 |
μm |
| 分布密度 |
0 〜 4 |
|
| 木部繊維 |
繊維長 |
1390( 820 〜 1940) |
μm |
| 直径 |
— ( 20 〜 30) |
μm |
| 壁厚 |
2.5 〜 3 |
μm |
| 随伴柔組織の型 |
翼状、連合翼状 |
|
| 結晶細胞の型 |
P |
|
|
| 放射組織 |
単列放射組織の |
細胞高 |
|
|
| 多列放射組織の |
細胞列数 |
2 〜 5 |
|
|
細胞高 |
5 〜 33 |
|
|
|
物理的性質
| 密度と収縮率 |
|
密度 |
|
収縮率 |
気乾まで |
|
全乾まで |
|
平均 (含水率1%あたり) |
| 容積密度数 |
428 |
kg/m³ |
接線方向 |
2.9 |
% |
6.8 |
% |
0.27 |
% |
| 密度(全乾) |
0.50 |
g/cm³ |
半径方向 |
1.2 |
% |
3.4 |
% |
0.14 |
% |
密度 (15%含水時) |
0.54 |
g/cm³ |
軸方向 |
0.12 |
% |
0.38 |
% |
0.02 |
% |
|
|
|
体積収縮率 |
|
|
10.3 |
% |
|
|
|
|
| 吸水量 |
密度(全乾) |
0.50 |
g/cm³ |
密度 (15%含水時) |
0.53 |
g/cm³ |
平均含水率 |
16.20 |
% |
|
|
木口面 |
200 |
g/day・cm² |
| 板目面 |
70 |
g/day・cm² |
| 柾目面 |
40 |
g/day・cm² |
|
|
強度的性質
縦圧縮
|
ヤング係数 |
11 |
GPa |
|
比例限度 |
30 |
MPa |
|
強さ |
43 |
MPa |
|
|
| 横圧縮 |
半径方向 |
接線方向 |
|
ヤング係数 |
1.1 |
GPa |
0.5 |
GPa |
|
比例限度 |
4.1 |
MPa |
2.6 |
MPa |
|
|
部分横圧縮
|
|
縦引張り
|
ヤング係数 |
9 |
GPa |
|
比例限度 |
86 |
MPa |
|
強さ |
113 |
MPa |
|
|
| 横引張り |
半径方向 |
接線方向 |
|
ヤング係数 |
1.1 |
GPa |
0.6 |
GPa |
|
比例限度 |
6.3 |
MPa |
3.8 |
MPa |
|
強さ |
11.7 |
MPa |
6.3 |
MPa |
|
最大歪み |
1.19 |
10‾² |
1.32 |
10‾² |
|
|
せん断(軸方向)
|
柾目面せん断強さ |
13 |
MPa |
|
板目面せん断強さ |
12 |
MPa |
|
|
静的曲げ
|
ヤング係数 |
10 |
GPa |
|
比例限度 |
55 |
MPa |
|
強さ |
91 |
MPa |
|
|
|
|
ブリネル硬さ
|
木口面硬さ |
55 |
MPa |
|
板目面硬さ |
17 |
MPa |
|
柾目面硬さ |
15 |
MPa |
|
|
木材の加工性
|
平均含水率 |
117 |
% |
|
製材速度 |
5.2 |
m²/min |
|
|
|
|
|
|
乾燥速度係数 |
|
|
人工乾燥スケジュール |
|
|
|
|
柾目 |
4.3 |
hr‾¹10‾² |
|
温度コードD |
4.5 |
|
|
|
板目 |
13.4 |
hr‾¹10‾² |
|
湿度コードW |
35 |
|
|
|
|
|
|
|
乾燥時間 |
35 |
day |
|
|
|
|
|
ユリア樹脂 |
カゼイン |
酢酸ビニル樹脂 エマルジョン |
フェノール樹脂 |
レゾルシノール 樹脂 |
|
せん断強度 |
|
MPa |
|
MPa |
|
MPa |
|
MPa |
13 |
MPa |
|
剥離法A |
2 |
% |
0 |
% |
99 |
% |
|
|
|
|
|
剥離法B |
|
|
|
|
|
|
28 |
% |
0 |
% |
|
|
合板製造
| ロータリー切削 |
比重 |
0.58 |
|
含水率 |
118 |
% |
|
|
|
切削力 |
23 |
N/cm² |
|
レース刀寿命 |
950 |
m |
|
|
|
|
|
乾燥時間 |
7.8 |
min |
|
生材 |
15.2 |
% |
|
収縮率 |
6.6 |
% |
|
煮沸処理材 |
0 |
% |
|
|
|
|
|
|
|
フェノール樹脂 |
ユリア樹脂 |
ユリア・メラミン 共縮合樹脂 |
|
|
強度(煮沸処理) |
|
2.1 |
MPa |
2.3 |
MPa |
1.5 |
MPa |
|
|
(未処理) |
|
2.1 |
MPa |
2.0 |
MPa |
1.5 |
MPa |
|
|
木破率(煮沸処理) |
|
12 |
% |
24 |
% |
21 |
% |
|
|
(未処理) |
|
19 |
% |
87 |
% |
14 |
% |
|
|
|
耐朽性及び塗装性
|