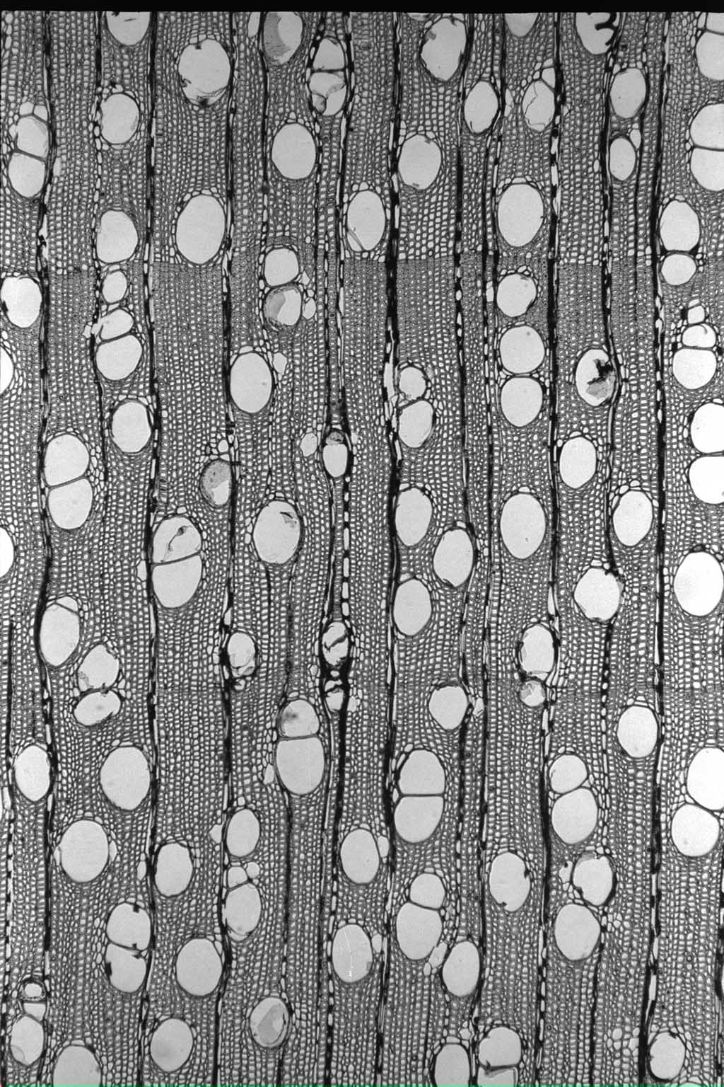
木材解剖学的性質
| 道管 |
放射径 |
— ( 130 〜 310) |
μm |
| 接線径 |
— ( 130 〜 210) |
μm |
| 壁厚 |
2 〜 4 |
μm |
| 分布密度 |
5 〜 12 |
|
| 木部繊維 |
繊維長 |
1310( 1020 〜 1830) |
μm |
| 直径 |
— ( 20 〜 35) |
μm |
| 壁厚 |
2 〜 4 |
μm |
| 随伴柔組織の型 |
周囲状、帽状 |
|
| 結晶細胞の型 |
U |
|
|
| 放射組織 |
単列放射組織の |
細胞高 |
|
|
| 多列放射組織の |
細胞列数 |
2 〜 5 |
|
|
細胞高 |
5 〜 51 |
|
|
|
物理的性質
| 密度と収縮率 |
|
密度 |
|
収縮率 |
気乾まで |
|
全乾まで |
|
平均 (含水率1%あたり) |
| 容積密度数 |
347 |
kg/m³ |
接線方向 |
4.9 |
% |
8.7 |
% |
0.27 |
% |
| 密度(全乾) |
0.40 |
g/cm³ |
半径方向 |
1.6 |
% |
3.6 |
% |
0.14 |
% |
密度 (15%含水時) |
0.43 |
g/cm³ |
軸方向 |
0.04 |
% |
0.18 |
% |
0.01 |
% |
|
|
|
体積収縮率 |
|
|
12.2 |
% |
|
|
|
|
| 吸水量 |
密度(全乾) |
0.45 |
g/cm³ |
密度 (15%含水時) |
0.41 |
g/cm³ |
平均含水率 |
14.90 |
% |
|
|
木口面 |
90 |
g/day・cm² |
| 板目面 |
20 |
g/day・cm² |
| 柾目面 |
20 |
g/day・cm² |
|
|
強度的性質
縦圧縮
|
ヤング係数 |
9 |
GPa |
|
比例限度 |
22 |
MPa |
|
強さ |
32 |
MPa |
|
|
| 横圧縮 |
半径方向 |
接線方向 |
|
ヤング係数 |
0.9 |
GPa |
0.3 |
GPa |
|
比例限度 |
2.4 |
MPa |
1.0 |
MPa |
|
|
部分横圧縮
|
|
縦引張り
|
ヤング係数 |
9 |
GPa |
|
比例限度 |
66 |
MPa |
|
強さ |
117 |
MPa |
|
|
| 横引張り |
半径方向 |
接線方向 |
|
ヤング係数 |
0.9 |
GPa |
0.3 |
GPa |
|
比例限度 |
4.3 |
MPa |
1.7 |
MPa |
|
強さ |
7.4 |
MPa |
4.3 |
MPa |
|
最大歪み |
|
10‾² |
|
10‾² |
|
|
せん断(軸方向)
|
柾目面せん断強さ |
6 |
MPa |
|
板目面せん断強さ |
7 |
MPa |
|
|
静的曲げ
|
ヤング係数 |
7 |
GPa |
|
比例限度 |
32 |
MPa |
|
強さ |
53 |
MPa |
|
|
|
|
ブリネル硬さ
|
木口面硬さ |
34 |
MPa |
|
板目面硬さ |
10 |
MPa |
|
柾目面硬さ |
8 |
MPa |
|
|
木材の加工性
|
平均含水率 |
108 |
% |
|
製材速度 |
3.6 |
m²/min |
|
|
|
|
|
|
乾燥速度係数 |
|
|
人工乾燥スケジュール |
|
|
|
|
柾目 |
|
hr‾¹10‾² |
|
温度コードD |
11 |
|
|
|
板目 |
|
hr‾¹10‾² |
|
湿度コードW |
53 |
|
|
|
|
|
|
|
乾燥時間 |
35 |
day |
|
|
|
|
|
ユリア樹脂 |
カゼイン |
酢酸ビニル樹脂 エマルジョン |
フェノール樹脂 |
レゾルシノール 樹脂 |
|
せん断強度 |
5 |
MPa |
6 |
MPa |
6 |
MPa |
6 |
MPa |
6 |
MPa |
|
剥離法A |
22 |
% |
12 |
% |
5 |
% |
|
|
|
|
|
剥離法B |
|
|
|
|
|
|
55 |
% |
5 |
% |
|
|
合板製造
| ロータリー切削 |
比重 |
0.41 |
|
含水率 |
120 |
% |
|
|
|
切削力 |
10 |
N/cm² |
|
レース刀寿命 |
1300 |
m |
|
|
|
|
|
乾燥時間 |
6.3 |
min |
|
生材 |
34.4 |
% |
|
収縮率 |
5.0 |
% |
|
煮沸処理材 |
33.8 |
% |
|
|
|
|
|
|
|
フェノール樹脂 |
ユリア樹脂 |
ユリア・メラミン 共縮合樹脂 |
|
|
強度(煮沸処理) |
|
1.2 |
MPa |
0.9 |
MPa |
1.0 |
MPa |
|
|
(未処理) |
|
1.2 |
MPa |
1.0 |
MPa |
1.0 |
MPa |
|
|
木破率(煮沸処理) |
|
5 |
% |
1 |
% |
1 |
% |
|
|
(未処理) |
|
27 |
% |
8 |
% |
14 |
% |
|
|
|
耐朽性及び塗装性
|