ESWood
ホーム
レコード一覧
参考文献
引用文献
光顕写真
   
木材解剖学的性質
   
物理的性質
   
強度的性質
   
木材の加工性
   
合板製造
   
耐朽性
   
化学的性質
学名:
Calophyllum sp.
一般名:
Calophyllum, Kaumanu, Dalo, Baula, Oleole, Kaumanubala, Gwaragwaro, Kalofilm, ビンタンゴール
科名:
Guttiferae
プレパラート No.:
丸太No.:
XG
直径:
60- 76 cm
産地:
Solomon Islands
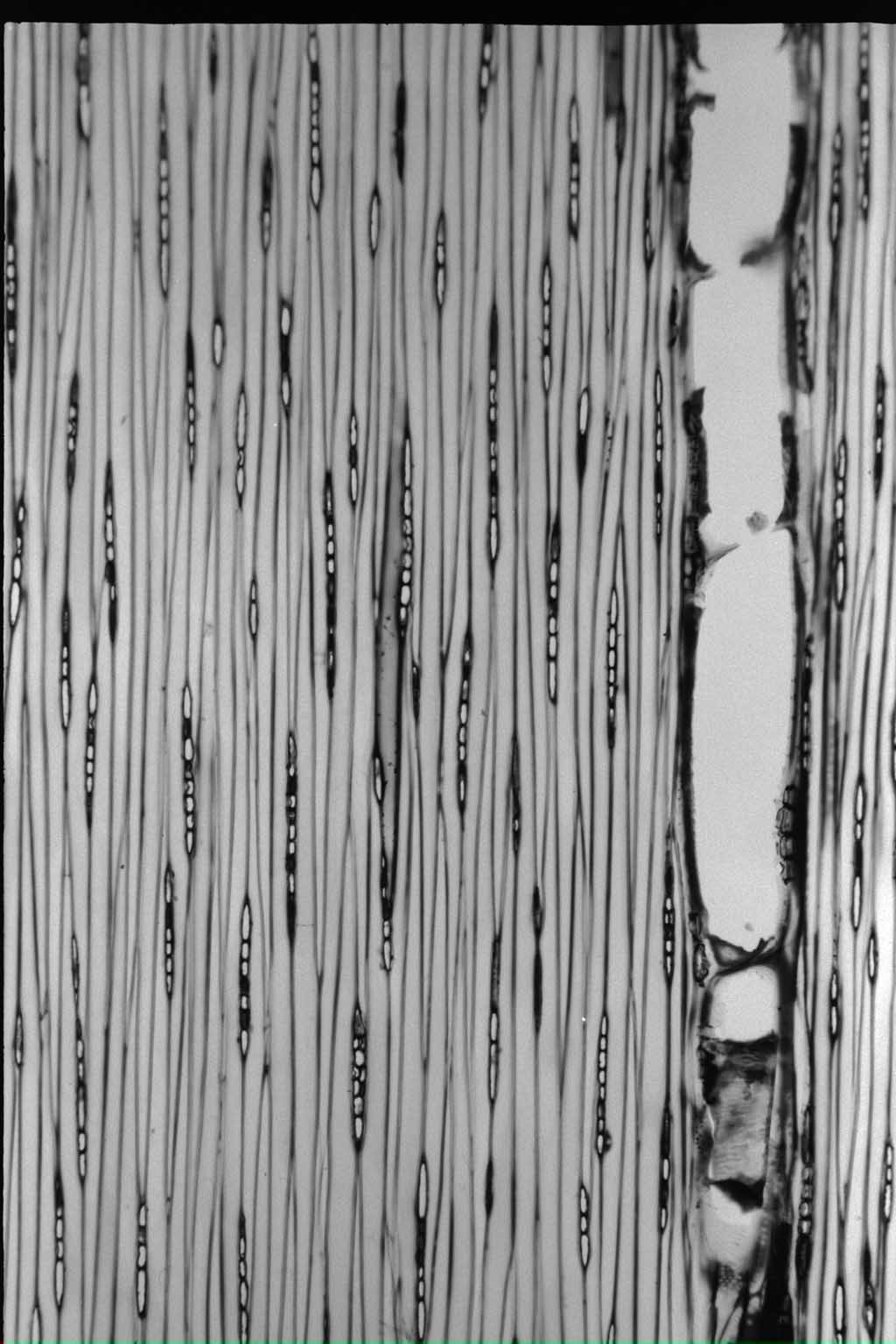
光顕写真
木口面
柾目面
板目面
木材解剖学的性質
道管
放射径
— ( 125 〜 260)
μm
接線径
— ( 115 〜 215)
μm
壁厚
1.5 〜 2.5
μm
分布密度
3 〜 8
木部繊維
繊維長
1620( 1140 〜 2080)
μm
直径
— ( 20 〜 35)
μm
壁厚
2.5 〜 3.5
μm
随伴柔組織の型
帯状
結晶細胞の型
U,P
放射組織
単列放射組織の
細胞高
多列放射組織の
細胞列数
細胞高
周囲仮道管
要素長
930 〜 1420
μm
直径
25 〜 40
μm
軸方向細胞間道
放射径
μm
接線径
μm
チロース
++
シリカ
直径
+
μm
物理的性質
密度と収縮率
密度
収縮率
気乾まで
全乾まで
平均
(含水率1%あたり)
容積密度数
479
kg/m³
接線方向
4.7
%
8.1
%
0.22
%
密度(全乾)
0.55
g/cm³
半径方向
2.6
%
5.1
%
0.18
%
密度
(15%含水時)
0.60
g/cm³
軸方向
0.14
%
0.32
%
0.01
%
体積収縮率
13.1
%
吸水量
密度(全乾)
0.43
g/cm³
密度
(15%含水時)
0.65
g/cm³
平均含水率
16.40
%
木口面
210
g/day・cm²
板目面
40
g/day・cm²
柾目面
40
g/day・cm²
強度的性質
比重
0.65
含水率
16.0
%
縦圧縮
ヤング係数
11
GPa
比例限度
29
MPa
強さ
44
MPa
横圧縮
半径方向
接線方向
ヤング係数