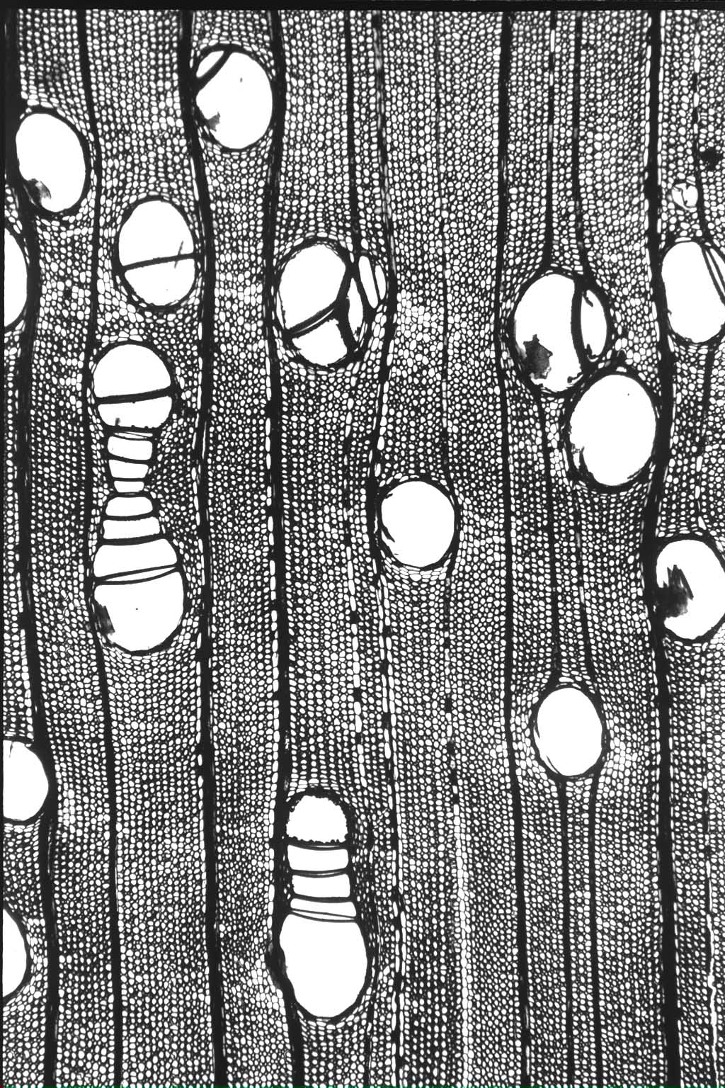
木材解剖学的性質
| 道管 |
放射径 |
— ( 120 〜 230) |
μm |
| 接線径 |
250( 150 〜 330) |
μm |
| 壁厚 |
4 〜 6 |
μm |
| 分布密度 |
2 〜 5 |
|
| 木部繊維 |
繊維長 |
1590( 890 〜 2300) |
μm |
| 直径 |
— ( 20 〜 35) |
μm |
| 壁厚 |
3 〜 5 |
μm |
| 随伴柔組織の型 |
散在状、周囲状、帯状 |
|
| 結晶細胞の型 |
U&P |
|
|
| 放射組織 |
単列放射組織の |
細胞高 |
|
|
| 多列放射組織の |
細胞列数 |
2 〜 5 |
|
|
細胞高 |
50 |
|
|
|
物理的性質
| 密度と収縮率 |
|
密度 |
|
収縮率 |
気乾まで |
|
全乾まで |
|
平均 (含水率1%あたり) |
| 容積密度数 |
610 |
kg/m³ |
接線方向 |
3.8 |
% |
8.4 |
% |
0.32 |
% |
| 密度(全乾) |
0.70 |
g/cm³ |
半径方向 |
1.8 |
% |
4.6 |
% |
0.19 |
% |
密度 (15%含水時) |
0.74 |
g/cm³ |
軸方向 |
0.02 |
% |
0.26 |
% |
0.02 |
% |
|
|
|
体積収縮率 |
|
|
12.9 |
% |
|
|
|
|
| 吸水量 |
密度(全乾) |
0.67 |
g/cm³ |
密度 (15%含水時) |
0.68 |
g/cm³ |
平均含水率 |
15.80 |
% |
|
|
木口面 |
800 |
g/day・cm² |
| 板目面 |
150 |
g/day・cm² |
| 柾目面 |
120 |
g/day・cm² |
|
|
強度的性質
縦圧縮
|
ヤング係数 |
17 |
GPa |
|
比例限度 |
52 |
MPa |
|
強さ |
64 |
MPa |
|
|
| 横圧縮 |
半径方向 |
接線方向 |
|
ヤング係数 |
1.7 |
GPa |
0.8 |
GPa |
|
比例限度 |
5.1 |
MPa |
4.7 |
MPa |
|
|
部分横圧縮
|
|
縦引張り
|
ヤング係数 |
17 |
GPa |
|
比例限度 |
119 |
MPa |
|
強さ |
169 |
MPa |
|
|
| 横引張り |
半径方向 |
接線方向 |
|
ヤング係数 |
1.3 |
GPa |
0.8 |
GPa |
|
比例限度 |
3.9 |
MPa |
2.9 |
MPa |
|
強さ |
10.7 |
MPa |
7.6 |
MPa |
|
最大歪み |
1.25 |
10‾² |
1.72 |
10‾² |
|
|
せん断(軸方向)
|
柾目面せん断強さ |
15 |
MPa |
|
板目面せん断強さ |
15 |
MPa |
|
|
静的曲げ
|
ヤング係数 |
14 |
GPa |
|
比例限度 |
66 |
MPa |
|
強さ |
118 |
MPa |
|
|
|
|
ブリネル硬さ
|
木口面硬さ |
69 |
MPa |
|
板目面硬さ |
27 |
MPa |
|
柾目面硬さ |
25 |
MPa |
|
|
木材の加工性
|
平均含水率 |
69 |
% |
|
製材速度 |
4.2 |
m²/min |
|
|
|
|
|
|
乾燥速度係数 |
|
|
人工乾燥スケジュール |
|
|
|
|
柾目 |
2.6 |
hr‾¹10‾² |
|
温度コードD |
11 |
|
|
|
板目 |
3.1 |
hr‾¹10‾² |
|
湿度コードW |
25 |
|
|
|
|
|
|
|
乾燥時間 |
14 |
day |
|
|
|
|
|
ユリア樹脂 |
カゼイン |
酢酸ビニル樹脂 エマルジョン |
フェノール樹脂 |
レゾルシノール 樹脂 |
|
せん断強度 |
17 |
MPa |
15 |
MPa |
10 |
MPa |
19 |
MPa |
18 |
MPa |
|
剥離法A |
3 |
% |
8 |
% |
70 |
% |
|
|
|
|
|
剥離法B |
|
|
|
|
|
|
76 |
% |
64 |
% |
|
|
合板製造
|
|
|
切削力 |
29 |
N/cm² |
|
レース刀寿命 |
1850 |
m |
|
|
|
|
|
乾燥時間 |
4.8 |
min |
|
生材 |
56.9 |
% |
|
収縮率 |
8.2 |
% |
|
煮沸処理材 |
45.4 |
% |
|
|
|
|
|
|
|
フェノール樹脂 |
ユリア樹脂 |
ユリア・メラミン 共縮合樹脂 |
|
|
強度(煮沸処理) |
|
2.5 |
MPa |
2.9 |
MPa |
1.6 |
MPa |
|
|
(未処理) |
|
2.3 |
MPa |
2.5 |
MPa |
1.7 |
MPa |
|
|
木破率(煮沸処理) |
|
64 |
% |
25 |
% |
2 |
% |
|
|
(未処理) |
|
74 |
% |
74 |
% |
17 |
% |
|
|
|
耐朽性及び塗装性
|