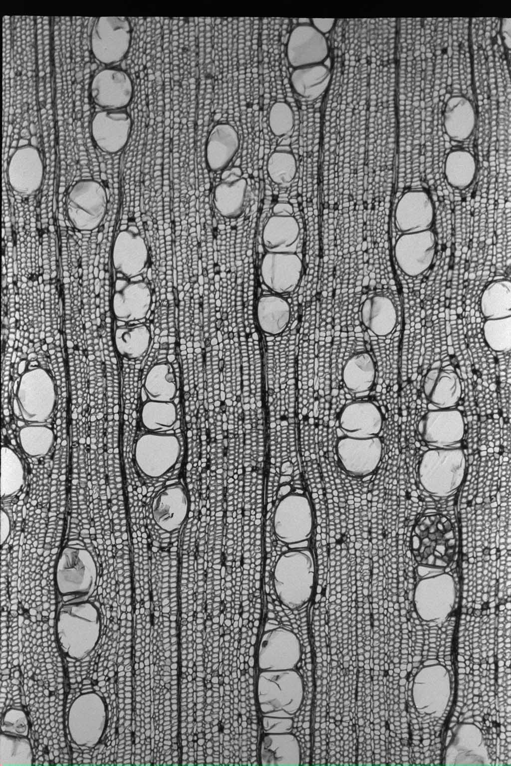
木材解剖学的性質
| 道管 |
放射径 |
|
μm |
| 接線径 |
229( 190 〜 290) |
μm |
| 壁厚 |
|
μm |
| 分布密度 |
3 〜 6 |
|
| 木部繊維 |
繊維長 |
1400( 740 〜 2000) |
μm |
| 直径 |
— ( 15 〜 32) |
μm |
| 壁厚 |
3 〜 4 |
μm |
| 随伴柔組織の型 |
散在状、翼状、帯状 |
|
| 結晶細胞の型 |
U&P |
|
|
| 放射組織 |
単列放射組織の |
細胞高 |
|
|
| 多列放射組織の |
細胞列数 |
2 〜 5 |
|
|
細胞高 |
63 |
|
|
|
物理的性質
| 密度と収縮率 |
|
密度 |
|
収縮率 |
気乾まで |
|
全乾まで |
|
平均 (含水率1%あたり) |
| 容積密度数 |
367 |
kg/m³ |
接線方向 |
4.0 |
% |
7.3 |
% |
0.25 |
% |
| 密度(全乾) |
0.41 |
g/cm³ |
半径方向 |
1.5 |
% |
3.7 |
% |
0.15 |
% |
密度 (15%含水時) |
0.45 |
g/cm³ |
軸方向 |
0.06 |
% |
0.26 |
% |
0.01 |
% |
|
|
|
体積収縮率 |
|
|
11.3 |
% |
|
|
|
|
| 吸水量 |
密度(全乾) |
0.64 |
g/cm³ |
密度 (15%含水時) |
0.45 |
g/cm³ |
平均含水率 |
15.10 |
% |
|
|
木口面 |
260 |
g/day・cm² |
| 板目面 |
70 |
g/day・cm² |
| 柾目面 |
50 |
g/day・cm² |
|
|
強度的性質
縦圧縮
|
ヤング係数 |
14 |
GPa |
|
比例限度 |
29 |
MPa |
|
強さ |
40 |
MPa |
|
|
| 横圧縮 |
半径方向 |
接線方向 |
|
ヤング係数 |
0.9 |
GPa |
0.5 |
GPa |
|
比例限度 |
3.1 |
MPa |
1.5 |
MPa |
|
|
部分横圧縮
|
|
縦引張り
|
ヤング係数 |
13 |
GPa |
|
比例限度 |
101 |
MPa |
|
強さ |
162 |
MPa |
|
|
| 横引張り |
半径方向 |
接線方向 |
|
ヤング係数 |
0.7 |
GPa |
0.5 |
GPa |
|
比例限度 |
3.2 |
MPa |
2.3 |
MPa |
|
強さ |
9.4 |
MPa |
6.0 |
MPa |
|
最大歪み |
1.30 |
10‾² |
2.39 |
10‾² |
|
|
せん断(軸方向)
|
柾目面せん断強さ |
8 |
MPa |
|
板目面せん断強さ |
9 |
MPa |
|
|
静的曲げ
|
ヤング係数 |
11 |
GPa |
|
比例限度 |
46 |
MPa |
|
強さ |
76 |
MPa |
|
|
|
|
ブリネル硬さ
|
木口面硬さ |
48 |
MPa |
|
板目面硬さ |
16 |
MPa |
|
柾目面硬さ |
10 |
MPa |
|
|
木材の加工性
|
平均含水率 |
84 |
% |
|
製材速度 |
3.2 |
m²/min |
|
|
|
|
|
|
乾燥速度係数 |
|
|
人工乾燥スケジュール |
|
|
|
|
柾目 |
2.4 |
hr‾¹10‾² |
|
温度コードD |
5 |
|
|
|
板目 |
4.5 |
hr‾¹10‾² |
|
湿度コードW |
41 |
|
|
|
|
|
|
|
乾燥時間 |
42 |
day |
|
|
|
|
|
ユリア樹脂 |
カゼイン |
酢酸ビニル樹脂 エマルジョン |
フェノール樹脂 |
レゾルシノール 樹脂 |
|
せん断強度 |
9 |
MPa |
10 |
MPa |
10 |
MPa |
10 |
MPa |
9 |
MPa |
|
剥離法A |
20 |
% |
22 |
% |
67 |
% |
|
|
|
|
|
剥離法B |
|
|
|
|
|
|
40 |
% |
71 |
% |
|
|
合板製造
| ロータリー切削 |
比重 |
0.47 |
|
含水率 |
104 |
% |
|
|
|
切削力 |
12 |
N/cm² |
|
レース刀寿命 |
1100 |
m |
|
|
|
|
|
乾燥時間 |
5.6 |
min |
|
生材 |
35.6 |
% |
|
収縮率 |
7.0 |
% |
|
煮沸処理材 |
0 |
% |
|
|
|
|
|
|
|
フェノール樹脂 |
ユリア樹脂 |
ユリア・メラミン 共縮合樹脂 |
|
|
強度(煮沸処理) |
|
1.4 |
MPa |
1.7 |
MPa |
1.4 |
MPa |
|
|
(未処理) |
|
1.4 |
MPa |
1.7 |
MPa |
1.4 |
MPa |
|
|
木破率(煮沸処理) |
|
0 |
% |
26 |
% |
3 |
% |
|
|
(未処理) |
|
6 |
% |
78 |
% |
6 |
% |
|
|
|
耐朽性及び塗装性
|
|
辺材 |
心材 |
|
|
オオウズラタケ |
% |
5.9% |
|
|
カワラタケ |
7.1% |
8.8% |
|
|
ヒロイタケ |
11.0% |
15.4% |
|
|
ウスバタケ |
% |
% |
|
|
|
硬化時間 |
2.1 |
h |
|
|
接着強度 |
2.6 |
MPa |
|
|
塗膜付着性 |
78 |
|
|
|
|
化学的性質
|
全アルカリ |
17.5 |
|
|
パルプ収率 |
50.5 |
% |
|
カッパー価 |
15.7 |
|
|
紙密度 |
0.88 |
g/cm³ |
|
裂断長 |
7.2 |
km |
|
破裂指数 |
6.1 |
|
|
引裂き指数 |
118 |
|
|
耐折強さ |
170 |
MIT |
|
ろ水度 |
270 |
ml |
|
| 繊維形態 |
|
|
|
長さ |
1.39 |
mm |
|
直径 |
34 |
μm |
|
細胞壁厚 |
7.9 |
μm |
|
内腔幅 |
18.2 |
μm |
|
Felting Power |
41 |
|
|
Coefficient of suppleness |
54 |
|
|
ルンケル比 |
0.9 |
|
|
|
パルプ収率 |
86 |
% |
|
比強度 |
37 |
MPa |
|
衝撃曲げ吸収エネルギー |
|
J/cm² |
|
引張強さ |
|
MPa |
|
水吸収率 |
|
% |
|
硬さ |
|
KPa |
|
|
n-ヘキサン |
0.27 |
% |
|
エチルエーテル |
0.28 |
% |
|
アセトン |
0.46 |
% |
|
メタノール |
1.45 |
% |
|
合計 |
2.46 |
% |
|
|
灰分 |
1.3 |
% |
|
エタノール,ベンゼン抽出分 |
2.1 |
% |
|
温水抽出分 |
1 |
% |
|
1%NaOH抽出分 |
14.6 |
% |
|
ホロセルロース |
79.1 |
% |
|
α-セルロース |
47.4 |
% |
|
クラソンリグニン |
21.3 |
% |
|
|