ESWood
ホーム
レコード一覧
参考文献
引用文献
光顕写真
   
木材解剖学的性質
   
物理的性質
   
強度的性質
   
木材の加工性
   
合板製造
   
耐朽性
   
化学的性質
学名:
Palaquium sp.
一般名:
Nato, Nyatoh, ペンシルシーダ
科名:
Sapotaceae
プレパラート No.:
11364
丸太No.:
XF
直径:
62- 90 cm
産地:
Solomon Islands
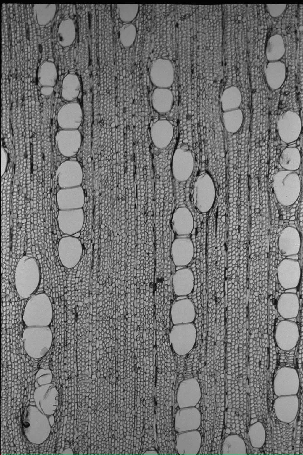
光顕写真
木口面
柾目面
板目面
木材解剖学的性質
道管
放射径
— ( 50 〜 250)
μm
接線径
— ( 120 〜 200)
μm
壁厚
3 〜 4
μm
分布密度
5 〜 10
木部繊維
繊維長
1860( 1300 〜 2600)
μm
直径
— ( 25 〜 38)
μm
壁厚
2 〜 2.5
μm
随伴柔組織の型
散在状、周囲状
結晶細胞の型
U,P
放射組織
単列放射組織の
細胞高
多列放射組織の
細胞列数
2 〜 3
細胞高
6 〜 45
周囲仮道管
要素長
150 〜 1125
μm
直径
37 〜 60
μm
軸方向細胞間道
放射径
μm
接線径
μm
チロース
+
シリカ
直径
μm
物理的性質
密度と収縮率
密度
収縮率
気乾まで
全乾まで
平均
(含水率1%あたり)
容積密度数
530
kg/m³
接線方向
6.3
%
10.3
%
0.30
%
密度(全乾)
0.64
g/cm³
半径方向
2.7
%
5.7
%
0.21
%
密度
(15%含水時)
0.68
g/cm³
軸方向
0.09
%
0.25
%
0.01
%
体積収縮率
15.6
%
吸水量
密度(全乾)
0.55
g/cm³
密度
(15%含水時)
0.70
g/cm³
平均含水率
16.50
%
木口面
180
g/day・cm²
板目面
60
g/day・cm²
柾目面
40
g/day・cm²
強度的性質
比重
0.71
含水率
16.5
%
縦圧縮
ヤング係数
17
GPa
比例限度
31
MPa
強さ
47
MPa
横圧縮
半径方向
接線方向
ヤング係数
1.5
GPa
0.8
GPa
比例限度
3.1
MPa
1.7
MPa
部分横圧縮
比例限度
6
MPa
縦引張り
ヤング係数
15
GPa
比例限度
111
MPa
強さ
172
MPa
横引張り
半径方向
接線方向
ヤング係数